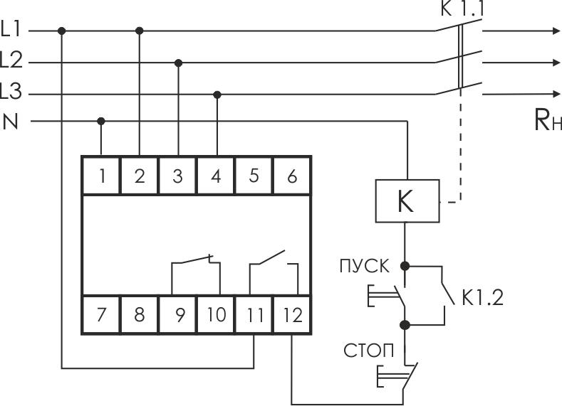
Реле напряжения: Реле напряжения CP-731 (трехфазный; микропроцессорный; контроль верхнего и нижнего значений напряжения; контроль асимметрии; чередования фаз; монтаж на DIN-рейке 35мм 3х400/230+N 2
Код: 320284
Розничная, с НДС8 346.00Р
Постоянный

Наимерование продукции: Реле напряжения CP-731 (трехфазный; микропроцессорный; контроль верхнего и нижнего значений напряжения; контроль асимметрии; чередования фаз; монтаж на DIN-рейке 35мм 3х400/230+N 2

Поля отмеченные * обязательны для заполнения

Бренд Евроавтоматика F&F
Ширина52.5 мм
Высота90 мм
Глубина65 мм
С съемными клеммами, зажимамиНет
Возможен контроль 1-фазного понижения напряженияНет
Возможен контроль 3-фазного понижения напряженияДа
Содержит функции контроля по постоянному напряжению-понижение напряжения
Содержит функции контроля по постоянному напряжению-повышение напряжения
Содержит функции контроля по постоянному напряжению-гистерезис
Бренд Евроавтоматика F&F
Ширина52.5 мм
Высота90 мм
Глубина65 мм
С съемными клеммами, зажимамиНет
Возможен контроль 1-фазного понижения напряженияНет
Возможен контроль 3-фазного понижения напряженияДа
Содержит функции контроля по постоянному напряжению-понижение напряжения
Содержит функции контроля по постоянному напряжению-повышение напряжения
Содержит функции контроля по постоянному напряжению-гистерезис
Род тока контролируемого напряженияПеременный ток (AC)
Номинальное напряжение питания цепи управления Us перемен. тока АС при 50 Гц с
Номинальное напряжение питания цепи управления Us перемен. тока АС при 50 Гц по
Номинальное напряжение питания цепи управления Us постоянного тока DC с
Номинальное напряжение питания цепи управления Us постоянного тока DC по
Диапазон измерения напряжения 1 с150 В
Диапазон измерения напряжения 1 по210 В
Диапазон измерения напряжения 2 с230 В
Диапазон измерения напряжения 2 по260 В
Максимально допустимое время задержки срабатывания без выдержки
Минимальное регулируемое время задержки срабатывания без выдержки.1 с
Максимально допустимое время задержки
Минимальное регулируемое время задержки
Пороговое напряжение срабатывания с
Пороговое напряжение срабатывания по
Род тока включенияПеременный ток (AC)
Количество размыкающих контактов1
Количество замыкающих контактов1
Количество переключающих контактов