Код: 257020
Розничная, с НДС7 226.40Р
Постоянный
Бренд Евроавтоматика F&F
Ширина52.5 мм
Высота90 мм
Глубина65 мм
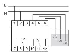
С возможностью каскадного подключения
Количество входов для электродов3
Устанавливаемый порог срабатыванияДа
Номинальное напряжение питания цепи управления Us перемен. тока АС при 50 Гц с230 В
Номинальное напряжение питания цепи управления Us перемен. тока АС при 50 Гц по230 В
Номинальное напряжение питания цепи управления Us постоянного тока DC с




