Код: 408396
Розничная, с НДС2 887.20Р
Постоянный
Бренд Евроавтоматика F&F
Ширина35 мм
Высота90 мм
Глубина65 мм
Диапазон измерения напряжения с
Диапазон измерения напряжения по
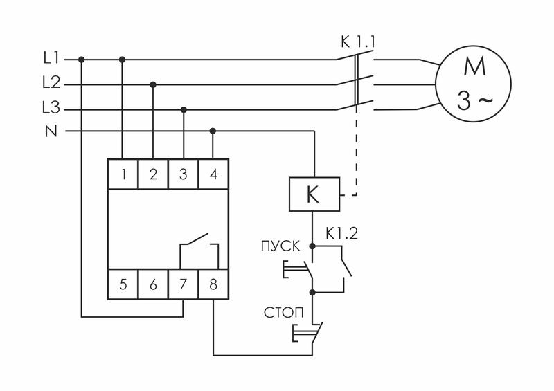
Функция контроля порядка чередования фазДа
Функция обнаружения обрыва фазыДа
Функция обнаружения пониженного напряженияНет
Функция обнаружения перенапряженияНет


