Код: 320237
Розничная, с НДС3 463.20Р
Постоянный
Бренд Евроавтоматика F&F
Ширина18 мм
Высота90 мм
Глубина63 мм
Диапазон измерения напряжения с
Диапазон измерения напряжения по
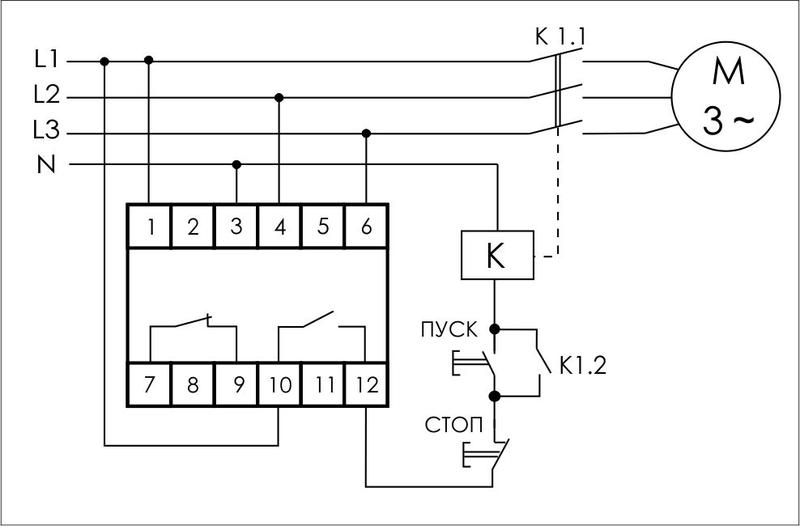
Функция контроля порядка чередования фазНет
Функция обнаружения обрыва фазыДа
Функция обнаружения пониженного напряженияДа
Функция обнаружения перенапряженияНет


